1.低功耗,产热少:多采用低功耗省电CPU,整体功率较低。 2.紧凑结构,支持宽温工作:采用密闭无风扇设计更高的IP防护等级,不仅具有防尘、 防潮、防振动、增强抗电磁干扰能力还可实现宽温工作。 3.适应复杂、恶劣的现场环境:机构紧凑,性能稳定,专为工业现场而设计。 4.安装便捷,即插即用:多采用电源适配器供电。

| 主机型号 | M818 | M618 | M219SE | M10U | M680 | M780 | |
|---|---|---|---|---|---|---|---|
| 基础配置适配主板 | M818SL、M818SE、M828SL | M618SE-2G、M618SE-4G | M218SE、M219SE | M100SE、M11GSE | M680SE-6L | M780SE-6L | |
| 适配CPU | 英特尔® 处理器 6代、7代、8代系列 | 支持1037U、2117U、英特尔® 处理器 3代系列 | 英特尔® 处理器 赛扬J1900、赛扬J1800、奔腾J2900 | 英特尔® 处理器 8代、10代、11代系列 | 支持Intel 6代 Skylake 赛扬及酷睿i3、i5、i7系列 | 支持Intel 7代 Kaby Lake 赛扬及酷睿i3、i5、i7系列 | |
| 内存 | 1*NB-DDR4支持2133/2400MHz内存,最大支持32G | 板载NB-DDR3 1600MHz内存,2G/4G可选 | 1*NB-DDR3L内存,低压1.35V内存,支持1333/1600MHz内存,最大支持8G | 1*NB-DDR4内存插槽,支持2133/2400/2666MHz内存,最大支持32GB | 1*NB-DDR4 SODIMM内存插槽,支持2133/2400MHz内存,最大支持16GB | 1*NB-DDR4 SODIMM内存插槽,支持2133/2400MHz内存,最大支持16GB | |
| 前置面板接口(最终配置选配主板后确定) | USB | 4*USB2.0接口 | 4*USB2.0接口 | 4*USB2.0接口 | 4*USB2.0接口 |
2*USB3.0接口 2*USB2.0接口 1*F_USB1插针 |
2*USB3.0接口 2*USB2.0接口 1*F_USB1插针 |
| COM | 2*COM口,默认支持RS232;其中主口可选支持RS232/RS422/RS485 | 2*COM口,支持标准RS232;其中主口可选支持RS232/RS422/RS485 | 2*COM口,主口可选支持RS232/RS422/RS485,副口支持标准RS232 | 2*COM口,支持RS232(可订制支持RS485) |
1*COM1接口,外置串口,只支持RS232 1*COM2插针,内置串口插针,只支持RS232 1*JCOM2插针,控制COM2第9脚电压 0V/5V/12V可选 |
1*COM1接口,外置串口,只支持RS232 1*COM2插针,内置串口插针,只支持RS232 1*JCOM2插针,控制COM2第9脚电压 0V/5V/12V可选 |
|
| 后置面板接口(最终配置选配主板后确定) | 电源接口 | 1*DC电源接口(5.5*2.5mm),支持DC 12V~24V宽压供电,推荐12V7A或以上电源 | 支持12V电压;主机满载功耗约35W。建议用12V5A或以上电源 | 支持12V电压;主机满载功耗约35W。建议用12V5A或以上电源 | 1*DC_IN,DC头内直径为2.5mm,支持12V ,建议用12V7A或以上电源 |
1*DC_IN 支持12V电压,DC头内直径为2.5MM 主板满载功耗约35W,建议用12V5A或以上电源 |
1*DC_IN 支持12V电压,DC头内直径为2.5MM 主板满载功耗约35W,建议用12V5A或以上电源 |
| 显示接口 |
1*HDMI 1.4接口(4096/3840*2160@30Hz) 1*VGA接口(1920*1080@60Hz) 可选双HDMI1 1.4接口(4096/3840*2160@30Hz) |
1*HDMI 1.4接口(支持最高分辨率1920*1080@60HZ) 1*VGA接口(支持最高分辨率1920*1200@60HZ) |
1*HDMI 1.4接口(支持最高分辨率1920*1080@60HZ) 1*VGA接口(支持最高分辨率1920*1200@60HZ) |
可选双HDMI接口、双VGA接口、单HDMI接口+单VGA接口 (VGA DB15接口,支持分辨率 1920*1080@60Hz) (HDMI 1.4接口 支持4K分辨率4096/3840 * 2160@30Hz) |
1*VGA_OUT插针 支持分辨率1920 * 1080@60HZ 1*HDMI 1.4接口 支持4K分辨率4096/3840 * 2160@30HZ |
1*VGA_OUT接口 支持分辨率1920 * 1080@60HZ 1*HDMI 1.4接口 支持4K分辨率4096/3840 * 2160@30HZ |
|
| LAN |
双千兆网卡:Realtek 8111H + Realtek 8111H千兆网卡; 单千兆网卡:支持Realtek 8111H千兆网卡; 支持网络唤醒功能,网络PXE功能; |
1*LAN RJ45接口:集成Realtek 8111E千兆网卡芯片,支持网络开关机和PXE无盘启动功能 | 可选1/2*LAN RJ45接口:集成Realtek 8111E千兆网卡芯片,支持网络开关机和PXE无盘启动功能 |
可选2/3/4个RJ45_LAN接口:支持Intel i226-V千兆网卡芯片 支持网络唤醒和PXE无盘启动功能 |
6*RJ45 LAN接口,Intel i211-AT千兆网卡,支持网络唤醒和PXE无盘启动功能 | 6*RJ45 LAN接口,Intel i211-AT千兆网卡,支持网络唤醒和PXE无盘启动功能 | |
| USB |
4*USB3.0接口 (双网主机为2*USB3.0接口) |
2*USB3.0接口、2*USB2.0接口 (双网主机为2*USB3.0接口) |
1*USB3.0接口、3*USB2.0接口(双网主机少2*USB2.0接口) | 2*USB3.2接口,双网主机有4*USB2.0接口、三网主机有2*USB2.0接口 | 2*USB3.0接口、2*USB2.0接口 | 2*USB3.0接口、2*USB2.0接口 | |
| COM | 4*COM口,默认支持RS232 | 4*COM口,支持标准RS232 | 无 | 4*COM口,支持RS232(可订制支持RS485) | 无 | 无 | |
| 音频 | 1* AUDIO接口,支持 LINE_OUT输出 | 1*SPK接口 支持音频输出 |
1*LINE_OUT接口 支持音频输出 1*JAMP插针 功放支持8欧5瓦喇叭双声道输出 |
1*SPK 接口 支持音频输出 1*MIC 接口 支持麦克风输入 HDMI接口支持HDMI音频输出 |
串口共享 | 串口共享 | |
| WiFi | 2*WiFi天线接口 | 1*Mini-PCIE接口,支持PCIE信号的WIFI模块 | 2*WiFi天线接口 | 支持WIFI,支持2*WIFI天线杆(支持3G/4G/蓝牙/WIFI可选) | 2*WiFi天线接口 | 2*WiFi天线接口 | |
| 存储(最终配置选配主板后确定) | M.2 | 1*M.2 Key-M插槽,支持M.2 2280硬盘;支持SATA协议和NVME(PCIE)协议可选 | 无 | 无 | 1*M.2接口 | 无 | 无 |
| SATA | 1*SATA3.0硬盘接口 支持2.5寸SSD/HDD硬盘 |
1*SATA3.0硬盘接口 1*SATA2.0硬盘接口 |
1*SATA1接口 标准SATA2.0硬盘接口 1*SATA-PWR插针 硬盘供电插针,可取电5V、12V |
1*2.5寸SSD或HDD机械硬盘 |
1*SATA接口 标准SATA3.0硬盘接口,最大传输速度6.0 Gbps 1*SATA-PWR插针 硬盘供电插针,可取电压5V、12V |
1*SATA接口 标准SATA3.0硬盘接口,最大传输速度6.0 Gbps 1*SATA-PWR插针 硬盘供电插针,可取电压5V、12V |
|
| MSATA | 1*MSATA插槽,支持MSATA盘 | 1*MSATA接口,支持MSATA盘、可选支持WIFI/4G/蓝牙等 | 1*MSATA接口,支持标准MSATA 2.0 | 1*MSATA盘 | 1*MSATA接口,支持MSATA盘,支持MSATA 3.0 | 1*MSATA接口,支持MSATA盘,支持MSATA 3.0 | |
| 扩展 | 1*Mini-PCIE插槽,支持WIFI/4G/蓝牙等,可选支持MSATA | 1*SIM卡槽 支持SIM卡,用3G/4G时需要SIM卡 | 1*SIM卡槽 支持SIM卡,用3G/4G时需要SIM卡 | 无 |
1*SIM_CARD卡槽 支持SIM卡,用3G/4G时需要SIM卡 1*CLR-CMOS插针 主板清零、放电插针 1*CPU_FAN插针 CPU风扇插针,不支持温控 1*J_GPIO插针 标准GPIO插针 |
1*SIM_CARD卡槽 支持SIM卡,用3G/4G时需要SIM卡 1*CLR-CMOS插针 主板清零、放电插针 1*CPU_FAN插针 CPU风扇插针,不支持温控 1*J_GPIO插针 标准GPIO插针 |
|
| 运行环境 | 工作温度 | -10℃ ~ 60℃ | -10℃ ~ 60℃ | -20℃ ~ 60℃ | -10℃ ~ 60℃ | -20℃ ~ 60℃ | -20℃ ~ 60℃ |
| 存储温度 | -20℃ ~ 70℃ | -20℃ ~ 70℃ | -20℃ ~ 70℃ | -20℃ ~ 70℃ | -20℃ ~ 70℃ | -20℃ ~ 70℃ | |
| 相对湿度 | 5%-95%相对湿度,无冷凝 | 5%-95%相对湿度,无冷凝 | 5%-95%相对湿度,无冷凝 | 5%-95%相对湿度,无冷凝 | 5%-95%相对湿度,无冷凝 | 5%-95%相对湿度,无冷凝 | |
| 工作震动 | 0.5g rms/5-500HZ/random/operating | 无限制 | 无限制 | 无限制 | 无限制 | 无限制 | |
| 系统与尺寸 | BIOS | 支持上电开机,定时开机,远程开关机等 | 支持上电开机,定时开机,远程开关机等 | 支持上电开机,定时开机,远程开关机等 | 支持上电开机,定时开机,远程开关机等 | AMI BIOS,支持上电开机,定时开机,远程开关机设备智能识别 | AMI BIOS,支持上电开机,定时开机,远程开关机设备智能识别 |
| 操作系统 | 可适配Windows、Linux系统等 | 可适配Windows、Linux系统等 | 可适配Windows、Linux系统等 | 可适配Windows、Linux系统等 | 可适配Windows、Linux系统等 | 可适配Windows、Linux系统等 | |
| 机箱尺寸 |
160mm(L)*126mm(W)*57mm(H) 含脚垫高度:160mm(L)*126mm(W)*62mm(H) |
214mm(L)*150mm(W)*52mm(H) (壁挂235mm(L)*150mm(W)*52mm(H)) |
160mm(L)*135mm(W)*50mm(H) | 235mm(L)*150mm(W)*63mm(H) | 232mm(L)*107mm(W)*62mm( H ) | 232mm(L)*107mm(W)*62mm( H ) | |
| 实物示例(可选规格多,图片仅供参考) |
![]() |
![]() |
![]() |
![]() |
![]() |
![]() |
|
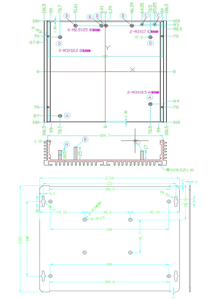
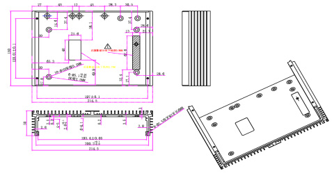
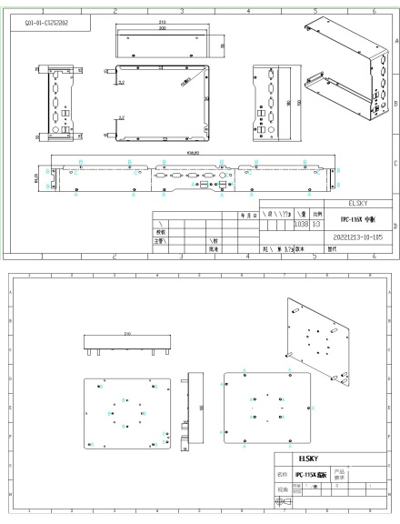
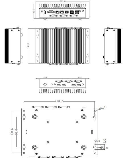
| 结构尺寸图 |
![]() |
![]() |
![]() |
![]() |
![]() |
![]() |
|
| 主机型号 | SPC10U | SPC108 | SPC450 | SPC670 | |
|---|---|---|---|---|---|
| 适配主板 | M100SE、M11GSE、M12GSE | M108SE | M400SE、M500SE、M678SE | M600SE、M700SE、M800SE | |
| 适配CPU | 英特尔® 处理器 8代、10代、11代、12代、13代系列 | 英特尔® 处理器 8代、10代系列 | 英特尔® 处理器4代、5代、6代、7代、8代系列 | 英特尔® 处理器 6代、7代、8代系列 | |
| 内存 | 1*NB-DDR4 支持2133/2400/2666/3200MHz,最大32GB | 板载NB-DDR3 1600MHz,2G/4G可选 | 1*NB-DDR3 低压1.35V(1333/1600MHz最大8G;2133/2400MHz最大32G,依主板定) | 1*NB-DDR4 2133/2400MHz,最大16G | |
| 前置面板接口(依主板定) | USB | 4*USB2.0接口 | 4*USB2.0接口 | 4*USB2.0接口 | 4*USB2.0接口 |
| COM | 2*COM口(默认RS232;主口可选RS232/RS422/RS485,副口可选RS232/RS485) | 2*COM口(标准RS232;主口可选RS232/RS422/RS485) | 2*COM口(默认RS232) | 2*COM口(标准RS232;主口可选RS232/RS422/RS485) | |
| 后置面板接口(依主板定) | 电源接口 | 1*DC(5.5*2.5mm),支持DC 12V,推荐12V7A及以上 | DC头内直径2.5MM(支持12V/19V;满载约60W,建议12V7A或19V4A及以上) | 1*DC(5.5*2.5mm)(默认12V,可改12V~24V宽压;6/7代主板荐12V5A+,8代荐12V7A+) | 1*DC_IN(头内直径2.5mm,支持12V/19V,建议12V5A或19V3A及以上) |
| 显示接口 | 1*VGA(1920*1080@60Hz)、1*HDMI1 2.0(4K@60Hz);可选1*HDMI2 2.0(4K@60Hz) | 1*HDMI1 1.4(4K@30Hz)、1*VGA(1920*1080@60Hz);可选1*HDMI2 1.4(4K@30Hz,与VGA二选一) | 1*VGA(1920*1080@60Hz)、1*HDMI1(4K@30Hz);可选1*HDMI2(4K@30Hz) | 1*VGA(1920*1080@60Hz)、1*HDMI(4K@30Hz) | |
| LAN | 可选2/3/4*LAN(Intel i226-V 2.5G网卡,支持网络唤醒) | 1/2*RJ45_LAN(单网Intel WG i219V千兆;双网Intel WG i219V+Realtek 8111H双千兆,支持网络唤醒、PXE) | 可选2/3/4*LAN(Realtek 8111H千兆,支持网络唤醒) | 可选1/2*RJ45_LAN(Realtek 8111H千兆,支持网络唤醒、PXE) | |
| USB | 双网:2*USB3.2+4*USB2.0;三网:2*USB3.2+2*USB2.0;四网:2*USB3.2 | 2*USB3.2+2/4*USB2.0(单网2*USB2.0,双网4*USB2.0) | 2*USB3.0;可选2/4*USB2.0 | 4*USB3.0;单网主机含2*USB2.0 | |
| COM | 4*COM口(默认RS232) | 4*COM口(标准RS232) | 4*COM口(默认RS232;主口可选RS232/RS422/RS485) | 4*COM口(支持RS232) | |
| 音频 | 1*LINE_OUT(音频输出)、1*MIC_IN(麦克风输入) | 集成Realtek ALC 662/897 HD(6声道);1*SPK(3.5音频输出) | 1*LINE_OUT(音频输出)、1*MIC_IN(麦克风输入) | 1*SPK(音频输出)、1*MIC(麦克风输入);HDMI支持音频输出 | |
| WiFi | 2*WiFi天线接口 | 2*WiFi天线接口 | 2*WiFi天线接口 | 支持WIFI,含2*WIFI天线杆(可选3G/4G/蓝牙/WIFI) | |
| 存储(依主板定) | M.2 | 1*M.2 Key-M(默认2280,可选2242;默认NVME,可改SATA) | 1*M.2插槽 | 1*M.2 Key-M(2280;SATA与NVME自动切换) | 无 |
| SATA | 1*SATA3.0(支持2.5寸SSD/HDD) | 1*SATA硬盘接口 | 1*SATA3.0(支持2.5寸SSD/HDD) | 选配 | |
| MSATA | 1*MSATA插槽(支持MSATA盘) | 1*Mini-PCIE(可改MSATA) | 1*MSATA插槽(可选,支持MSATA盘) | 1*MSATA盘 | |
| 扩展 | 1*Mini-PCIE(支持WiFi,可改4G/蓝牙) | 无 | 1*M2_WIFI(Key-E 2230,可改WiFi/蓝牙);1*CN1(Key-B 5G 3052/3042,可改4G 3042) | 无 | |
| 运行环境 | 工作温度 | -10℃ ~ 60℃ | -10℃ ~ 60℃ | -20℃ ~ 60℃ | -10℃ ~ 60℃ |
| 存储温度 | -20℃ ~ 70℃ | -20℃ ~ 70℃ | -20℃ ~ 70℃ | -20℃ ~ 70℃ | |
| 相对湿度 | 5%-95%(无冷凝) | 5%-95%(无冷凝) | 5%-95%(无冷凝) | 5%-95%(无冷凝) | |
| 工作震动 | 0.5g rms/5-500HZ/random/operating | 无限制 | 0.5g rms/5-500HZ/random/operating | 无限制 | |
| BIOS | 支持上电开机、定时开机、远程开关机 | 支持上电开机、定时开机、远程开关机 | 支持上电开机、定时开机、远程开关机 | 支持上电开机、定时开机、远程开关机 | |
| 操作系统 | 可适配Windows、Linux系统等 | 可适配Windows、Linux系统等 | 可适配Windows、Linux系统等 | 可适配Windows、Linux系统等 | |
| 机箱尺寸 | 235mm(L)*150mm(W)*70mm(H)(含底脚73mm(H)) | 235mm(L)*150mm(W)*70mm(H) | 202mm(L)*150mm(W)*62mm(H) | 215mm(L)*150mm(W)*52mm(H) | |
| 实物示例(可选规格多,图片仅供参考) |
![]() |
![]() |
![]() |
![]() |
|
| 结构尺寸图 |
![]() |
![]() |
![]() |
![]() |
|
| 主机型号 | IPC6801 | IPC6901 | IPC6001 | |
|---|---|---|---|---|
| 适配主板 | ET2000、KC6000、M218F、M219F、M218H、M219H、M284F、M294F、M284H、M294H、QM1800E、QM1800L、QM1900E、QM1900L、M316F、M335F、M415F、M612F、M100F、1007F、1037F、2117F、QM6600、QM6637、QM6616、QM2360、i3HGP、i5HGP、i7HGP、QM6600、QM6637、QM6616、QM2360、QM8680、QM8680L、QM9400、QM9400H、QM9400L、QM9450、QM9500、QM9500H、QM9500L、QM9550、QM9600、QM9700、QM9600H、QM9700H、QM9650、QM9750、QM9850、QM8H、QM9H、QM10H、QM8U、QM10U、QM11U、QM12U、QM13U、QM12P、QM13P、QM12H、QM13H、QM14U | ET2000、ET6000、QM9850、QM8U、QM10U、QM8H、QM9H、QM10H、QM11U、QM12U、QM13U、QM12P、QM13P、QM12H、QM13H、QM14U、QM3100、QM3600、QM5100、QM6100、QM6300 | M218F、M219F、M218H、M219H、M284F、M294F、M284H、M294H、M335F、M415F、M612F、1007F、1037F、2117F、QM6600、QM6637、QM6616、QM2360、i3HGP、i5HGP、i7HGP、QM6600、QM6637、QM6616、QM2360、QM8680、QM9400、QM9400H、QM9400L、QM9400E、QM9450、QM9500、QM9500H、QM9500L、QM9500E、QM9550、QM9600、QM9600H、QM9650、QM9700、QM9700H、QM9750、QM9850、QM8U、QM10U、QM8H、QM9H、QM10H、QM11U、QM12U、QM13U、QM12P、QM13P、QM12H、QM13H、KC6000、ET2000 | |
| 适配CPU | 根据主板确定 | 根据主板确定 | 根据主板确定 | |
| 内存 | 1*NB-DDR3内存,支持1.35V/1.5V,支持1333/1600MHz内存,最大支持8G | 2*NB-DDR4支持2133/2400/2666/2933/3200MHz内存,最大支持64G | 2*NB-DDR4 内存插槽,支持2133/2400/2666MHZ内存,最大支持64G | |
| 前置面板接口(最终配置选配主板后确定) | USB | 4*USB2.0接口 | 4*USB2.0接口,部分主板支持选配2*USB3.2 Gen1接口 | 4*USB2.0接口;可选1*LPT 接口、2*USB2.0(支持LPT后,少2个USB2.0接口) |
| COM | 1*COM接口,默认RS232 | 4*COM口,支持RS232 | 1*COM接口,默认支持RS232 | |
| 电源接口 | 1*DC电源接口(5.5*2.5mm),支持DC 12V,推荐12V5A或以上电源 | 1*DC电源接口(5.5*2.5mm),支持DC 12V/19V,推荐12V7A或19V5A及以上电源;1*4Pin凤凰端子可选,可自定义线序 | 1*DC_IN DC头内直径为2.5mm,支持12V,建议用12V4A或以上电源 | |
| 显示接口 | 1*HDMI1.4接口(1920*1080@60Hz);1*VGA接口(1920*1080@60Hz) | 1*HDMI1.4接口(4096/3840*2160@30HZ);1*VGA接口(1920*1080@60Hz);部分主板支持选配1*DP接口(4096/3840*2160@60HZ) | 1*VGA DB15 接口 支持分辨率 1920*1080@60Hz;1*DP接口(部分主板可选) 支持4K分辨率4096/3840*2160@60Hz(VGA接口和DP接口二选一);1*HDMI 2.0 接口 支持4K分辨率4096/3840*2160@60Hz | |
| 后置面板接口(最终配置选配主板后确定) | LAN | 单千兆网卡;默认支持Realtek 8111H;双千兆网卡;支持Realtek 8111H+Realtek 8111H;支持网络唤醒,PXE功能 | 单千兆网卡:Realtek 8111H或裕太微YT6801可选;双千兆网卡:Realtek 8111H+Realtek 8111H或 国产裕太微YT6801+裕太微YT6801可选;支持网络唤醒功能,网络PXE功能; | 可选1/2*RJ45 LAN接口 单网集成Realtek 8111H千兆网卡;双网支持Realtek 8111H+裕太微YT8521SC;支持网络开关机,网络PXE功能 |
| USB | 单网主机:2*USB3.0接口;2*USB2.0接口 双网主机:2*USB3.0接口;(注:最终由所选主板确定) | 2*USB3.0接口(部分主板支持2*USB3.2 Gen1接口);2*USB2.0接口 | 单网主机:2*USB3.0接口;2*USB2.0接口 双网主机:2*USB3.0接口;(注:最终由所选主板确定) | |
| COM | 5*COM接口,默认RS232;部分主板可选支持2*RS232/RS422/RS485,1*RS232/RS485 | 2*COM口,默认支持RS232;部分主板支持主、副接口选配RS232/RS422/RS485 | 1*COM接口,默认支持RS232 | |
| 音频 | 1*LINE_OUT接口,音频输出;1*MIC_IN接口,麦克风输入 | 1*LINE_OUT接口,音频输出;1*MIC_IN接口,麦克风输入 | 1*LINE_OUT接口,音频输出;1*MIC_IN接口,麦克风输入 | |
| WiFi | 2*WiFi天线接口 | 2*WiFi天线接口 | 2*WiFi天线接口 | |
| 存储(最终配置选配主板后确定) | M.2 | 1*M.2 Key-M插槽,支持M.2 2280硬盘;默认支持SATA和NVME(PCIE)协议共存 | 1*M.2 Key-M插槽,支持M.2 2280硬盘;默认支持SATA和NVME(PCIE)协议共存 | 1*M.2 Key-M插槽,支持M.2 2280硬盘;默认支持SATA和NVME(PCIE)协议共存 |
| SATA | 1*SATA3.0硬盘接口,支持2.5寸SSD/HDD硬盘 | 1*SATA3.0硬盘接口,支持2.5寸SSD/HDD硬盘 | 1*SATA3.0硬盘接口,支持2.5寸SSD/HDD硬盘 | |
| MSATA | 1*MSATA插槽,支持MSATA盘 | 1*MSATA插槽,支持MSATA盘 | 1*MSATA插槽,支持MSATA盘 | |
| 扩展 | 1*Mini-PCIE插槽,支持WiFi/4G/蓝牙模块 | 1*Mini-PCIE插槽,支持WiFi蓝牙模块 | 1*M2_WIFI接口,支持 Key-E接口M.2 2230 WiFi模块,可改支持WiFi/蓝牙模块;1*CN1接口,支持Key-B接口M.2 5G(3052/3042)模块,可改硬件支持M.2 4G(3042)模块 | |
| 运行环境 | 工作温度 | -10℃ ~ 60℃ | -10℃ ~ 60℃ | -20℃ ~ 60℃ |
| 存储温度 | -20℃ ~ 70℃ | -20℃ ~ 70℃ | -20℃ ~ 70℃ | |
| 相对湿度 | 5%-95%相对湿度,无冷凝 | 5%-95%相对湿度,无冷凝 | 5%-95%相对湿度,无冷凝 | |
| 工作震动 | 0.5g rms/5-500HZ/random/operating | 0.5g rms/5-500HZ/random/operating | 0.5g rms/5-500HZ/random/operating | |
| BIOS | 支持上电开机,定时开机,远程开关机等 | 支持上电开机,定时开机,远程开关机等 | 支持上电开机,定时开机,远程开关机等 | |
| 操作系统 | 可适配Windows、Linux系统等 | 可适配Windows、Linux系统等 | 可适配Windows、Linux系统等 | |
| 机箱尺寸 | 286mm(L)*205mm(W)*76mm(H) | 235mm(L)*150mm(W)*70mm(H) | 235mm(L)*150mm(W)*52mm(H) | |
| 实物示例(可选规格多,图片仅供参考) |
![]() |
![]() |
![]() |
|
| 结构尺寸图 |
![]() |
![]() |
![]() |
|